返回
化工废水污染控制技术
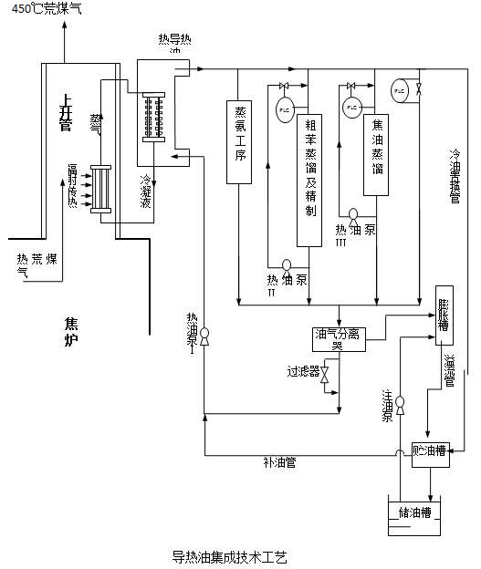
焦化工序导热油替代技术
2019-10-26 16:28 浏览:
1127
价格:未填
发送询价
联系方式
公司:
状态:
离线
发送信件
在线交谈
姓名:赵(女士)
电话:
020-13725394687
地区:北京
地址:
广州市黄埔区开源大道11号B10栋606室